• Standard U Bolt | Grade 304 Stainless Steel Standard U-Bolt Manufacturers and Suppliers India |
  • Standard U Bolt | Grade 304 Stainless Steel Standard U-Bolt Manufacturers India

    Standard U Bolt | Grade 304 Stainless Steel Standard U-Bolt Manufacturers in Mumbai India

    Standard U Bolt | Grade 304 Stainless Steel Standard U-Bolt | Dimensions | Specifications | Diameters | Size | Price in India

    ALSO CHECK : Din Nut Specifications / Din Bolt Specifications / Din Screws Specifications / Din Washer Specifications / DOWNLOAD PDF & FASTENERS Specifications

    U Bolts Dimensions / Specifications / Sizes

    Stainless Steel U Bolts Manufacturers Suppliers in India

    The U bolts are available in multiple sizes and lengths to accommodate large and small projects. These bolts are made from stainless steel for corrosion resistance and durability, making them ideal for marine, industrial and architectural applications.

    Standard U-Bolt Bow/Stern Eye Trailer U-Bolt
    Standard U-Bolt

    The Standard U-Bolt is available in sizes ranging from 1/4" to 1/2" and includes 2 nuts. This U-...

    Grade: 304 Stainless Steel

    UNC Thread

    Bow/Stern Eye

    The Bow/Stern Eye is UNC thread and available in sizes ranging from 3/8" to 1/2". Each u-bolt...

    Grade: 304 Stainless Steel

    UNC Thread

    Trailer U-Bolt

    The Trailer U-Bolt is available in a 1/2" size and includes 2 nuts and 2 washers. It is made from...

    Grade: 304 Stainless Steel

    Square U-Bolt Long U-Bolt U-Bolt with Plate
    Square U-Bolt

    The Square U-Bolt is UNC thread and available in a 3/8" size. Each u-bolt includes 2 nuts and 2...

    Grade: 304 Stainless Steel

    UNC Thread

    Long U-Bolt

    The Long U-Bolt is available is sizes ranging from 1/4" to 7/8". Each u-bolt includes 4 nuts. It...

    Grade: 304 Stainless Steel

    U-Bolt w/ Plate

    The U-Bolt with Plate is available in sizes ranging from 1/4" to 1/2" and includes 2 nuts. This U...

    Grade: 304 Stainless Steel

    UNC Thread



    Standard U-Bolt Dimensions / Specifications / Sizes

    Grade: 304 Stainless Steel

    UNC Thread

    Standard U-Bolt

    The Standard U-Bolt is available in sizes ranging from 1/4" to 1/2" and includes 2 nuts. This U-bolt is UNC thread. It is made from grade 304 stainless steel for corrosion resistance and durability, making it perfect for marine and industrial applications. Custom sizes are available.

    Product tabs

    Specifications

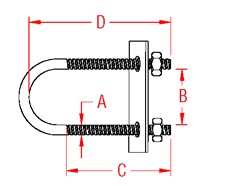
    Standard U-Bolt Line Drawing

    A
    (size)
    THREAD B C D PIPE WLL
    (lb)
    WT
    (lb)
    1/4" 1/4"-20 0.75" 0.63" 1.25" 3/8" 435 0.05
    1/4" 1/4"-20 1.00" 1.00" 1.75" 1/2" 435 0.06
    1/4" 1/4"-20 1.13" 1.00" 2.00" 3/4" 435 0.07
    1/4" 1/4"-20 1.50" 1.38" 2.75" 1" 435 0.08
    1/4" 1/4"-20 1.75" 1.38" 3.00" 1-1/4" 435 0.09
    1/4" 1/4"-20 2.00" 1.38" 3.25" 1-1/2" 435 0.10
    5/16" 5/16"-18 1.00" 1.38" 2.19" 1/2" 610 0.11
    5/16" 5/16"-18 1.50" 1.00" 2.19" 1" 610 0.12
    5/16" 5/16"-18 1.75" 1.13" 2.69" 1-1/4" 610 0.14
    5/16" 5/16"-18 2.00" 1.00" 2.69" 1-1/2" 610 0.15
    5/16" 5/16"-18 2.50" 1.00" 3.19" 2" 610 0.16
    5/16" 5/16"-18 3.00" 1.00" 3.69" 2-1/2" 610 0.18
    3/8" 3/8"-16 1.00" 1.25" 2.25" 1/2" 1,090 0.17
    3/8" 3/8"-16 1.25" 1.25" 2.25" 3/4" 1,090 0.17
    3/8" 3/8"-16 1.50" 1.25" 2.50" 1" 1,090 0.18
    3/8" 3/8"-16 1.75" 1.25" 2.75" 1-1/4" 1,090 0.20
    3/8" 3/8"-16 2.00" 1.25" 2.63" 1-1/2" 1,090 0.20
    3/8" 3/8"-16 2.50" 1.25" 3.13" 2" 1,090 0.23
    3/8" 3/8"-16 3.00" 1.25" 3.63" 2-1/2" 1,090 0.27
    3/8" 3/8"-16 3.50" 1.25" 4.13" 3" 1,090 0.30
    1/2" 1/2"-13 3.00" 1.63" 4.50" 2-1/2" 2,020 0.59
    1/2" 1/2"-13 3.50" 1.50" 5.00" 3" 2,020 0.65
    1/2" 1/2"-13 4.00" 1.50" 5.50" 3-1/2" 2,020 0.69
    1/2" 1/2"-13 4.50" 1.50" 6.00" 4" 2,020 0.76
    1/2" 1/2"-13 5.63" 2.00" 7.25" 5" 2,020 0.93
    1/2" 1/2"-13 6.75" 2.00" 8.38" 6" 2,020 1.04
    1/2" 1/2"-13 8.75" 2.00" 10.38" 8" 2,020 1.27

    Bow/Stern Eye | 304 Stainless Steel Bow / Stern Eye | Bow/Stern Eye | 304 Stainless Steel Bow / Stern Eye Manufacturers and Suppliers India

    Bow/Stern Eye : Grade: 304 Stainless Steel UNC Thread Dimensions / Specifications / Sizes

    Bow/Stern Eye

    The Bow/Stern Eye is UNC thread and available in sizes ranging from 3/8" to 1/2". Each u-bolt includes 4 nuts (2 standard and 2 beveled), 1 bow plate and 1 stern plate. It is made from grade 304 stainless steel for corrosion resistance and durability, making it perfect for marine applications.

    Specifications

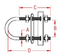
    Bow/Stern Eye Line Drawing

    A
    (size)
    THREAD B C D PULL
    (strength-lb)
    WT
    (lb)
    3/8" 3/8"-16 1.03" 1.13" 2.25" 3,200 0.25
    3/8" 3/8"-16 1.03" 3.00" 4.00" 3,200 0.30
    3/8" 3/8"-16 1.03" 4.00" 5.00" 3,200 0.40
    7/16" 7/16"-14 1.50" 3.44" 5.00" 3,800 0.60
    7/16" 7/16"-14 1.50" 4.50" 6.00" 3,800 0.65
    1/2" 1/2"-13 1.31" 2.50" 3.87" 4,800 0.60
    1/2" 1/2"-13 1.31" 3.44" 4.85" 4,800 0.70
    1/2" 1/2"-13 1.31" 4.75" 6.00" 4,800 0.80
    1/2" 1/2"-13 1.31" 6.00" 7.25" 4,800 0.95

    Trailer U-Bolt | Grade 304 Stainless Steel Trailer U-Bolt Manufacturer and Suppliers India

    Trailer U-Bolt Grade: 304 Stainless Steel Dimensions / Specifications / Sizes

    Trailer U-Bolt

    The Trailer U-Bolt is available in a 1/2" size and includes 2 nuts and 2 washers. It is made from grade 304 stainless steel for corrosion resistance and durability, making it ideal for replacing or upgrading trailer parts.

    Product tabs

    Specifications

    Trailer U-Bolt Line Drawing

    A
    (size)
    THREAD B C D WLL
    (lb)
    WT
    (lb)
    1/2" 1/2"-13 2.13" 1.50" 4.00" 2,020 0.68
    1/2" 1/2"-13 3.13" 1.50" 3.00" 2,020 0.65
    1/2" 1/2"-13 3.13" 2.00" 4.00" 2,020 0.70
    1/2" 1/2"-13 3.13" 3.00" 5.00" 2,020 0.75
    1/2" 1/2"-13 3.13" 3.00" 6.00" 2,020 0.80
    1/2" 1/2"-13 4.13" 1.50" 3.00" 2,020 0.70

    If you have questions about this product or any of our products, PLEASE VISIT OUR KNOWLEDGE BASE FOR FURTHER ASSISTANCE. If you don't find an answer, you can always submit a product question.

    Square U-Bolt | Grade 304 Stainless Steel Square U-Bolt | Square U-Bolt | Grade 304 Stainless Steel Square U-Bolt Manufacturers in Mumbai India
    Square U-Bolt | Grade 304 Stainless Steel Square U-Bolt | Square U-Bolt Dimensions | Square U-Bolt Sizes | Weight Calculator | Square U-Bolt Price in India | Square U-Bolt | Grade 304 Stainless Steel Square U-Bolt Manufacturers in Mumbai India

    Square U-Bolt Dimensions / Specifications / Sizes

    Grade: 304 Stainless Steel

    UNC Thread

    Square U-Bolt

    The Square U-Bolt is UNC thread and available in a 3/8" size. Each u-bolt includes 2 nuts and 2 washers. It is made from grade 304 stainless steel for corrosion resistance and durability, making it perfect for marine and industrial applications.

    Product tabs

    Specifications

    Square U-Bolt Line Drawing

    A
    (size)
    THREAD B C D WLL
    (lb)
    WT
    (lb)
    3/8" 3/8"-16 2.00" 1.50" 3.40" 1,090 0.25
    3/8" 3/8"-16 2.00" 3.00" 5.40" 1,090 0.35
    3/8" 3/8"-16 2.00" 3.75" 7.37" 1,090 0.45
    3/8" 3/8"-16 4.00" 1.50" 3.37" 1,090 0.30
    3/8" 3/8"-16 4.00" 3.00" 5.37" 1,090 0.40
    3/8" 3/8"-16 4.00" 3.75" 7.37" 1,090 0.50
    3/8" 3/8"-16 6.00" 3.00" 5.30" 1,090 0.45
    3/8" 3/8"-16 6.00" 3.75" 7.37" 1,090 0.55
    3/8" 3/8"-16 6.00" 5.63" 9.37" 1,090 0.65
    Long U-Bolt | 304 Stainless Steel UNC Thread Long U-Bolt | Long U-Bolt Long U-Bolt | 304 Stainless Steel UNC Thread Long U-Bolt Manufacturers and Suppliers India

    UNC Thread Long U-Bolt : 304 Stainless Steel Dimensions / Specifications / Sizes

    Long U-Bolt

    The Long U-Bolt is available is sizes ranging from 1/4" to 7/8". Each u-bolt includes 4 nuts. It is made from grade 304 stainless steel for maximum corrosion resistance and durability, making it perfect for marine and industrial applications.

    Product tabs

    Specifications

    Long U-Bolt Line Drawing

    A
    (size)
    THREAD B C D PIPE WLL
    (lb)
    WT
    (lb)
    1/4" 1/4"-20 0.88" 2.50" 2.94" 1/2" 435 0.10
    1/4" 1/4"-20 1.13" 2.50" 3.19" 3/4" 435 0.11
    1/4" 1/4"-20 1.38" 2.50" 3.44" 1" 435 0.11
    3/8" 3/8"-16 1.69" 2.38" 3.72" 1-1/4" 1,090 0.28
    3/8" 3/8"-16 2.00" 2.50" 4.00" 1-1/2" 1,090 0.30
    3/8" 3/8"-16 2.44" 2.50" 4.44" 2" 1,090 0.33
    1/2" 1/2"-13 2.94" 3.00" 5.22" 2-1/2" 2,020 0.73
    1/2" 1/2"-13 3.56" 3.00" 5.75" 3" 2,020 0.79
    1/2" 1/2"-13 4.06" 3.00" 6.25" 3-1/2" 2,020 0.85
    1/2" 1/2"-13 4.56" 3.00" 6.75" 4" 2,020 0.90
    1/2" 1/2"-13 5.63" 3.00" 7.81" 5" 2,020 1.03
    5/8" 5/8"-11 6.75" 3.75" 9.69" 6" 3,230 1.92
    5/8" 5/8"-11 8.75" 3.75" 11.50" 8" 3,230 2.22
    3/4" 3/4"-10 10.88" 4.00" 13.88" 10" 4,830 4.08
    7/8" 7/8"-9 12.88" 4.25" 16.13" 12" 6,730 5.70
    7/8" 7/8"-9 14.13" 4.25" 17.50" 14" 6,730 6.70
    7/8" 7/8"-9 16.13" 4.25" 19.25" 16" 6,730 7.50
    304 Stainless Steel U-Bolt with Plate Dimensions / Specifications / Sizes | 304 Stainless Steel U-Bolt with Plate Manufacturer and Suppliers India
    u bolt with plate, stainless u bolt with plate, square u bolt with plate, u bolt plate dimensions, u bolt plate thickness, u-bolt plate high clearance, u bolt and plate, u bolt anchor plate, u bolt backing plate, u bolt bottom plate, u bolt top plate, u-bolt tie plate, u bolt w/plate

    UNC Thread U-Bolt w/ Plate Grade: 304 Stainless Steel Dimensions / Specifications / Sizes

    U-Bolt with Plate

    The U-Bolt with Plate is available in sizes ranging from 1/4" to 1/2" and includes 2 nuts. This U-bolt is UNC thread. It is made from grade 304 stainless steel for corrosion resistance and durability, making it perfect for marine and industrial applications. Custom sizes are available.

    Product tabs

    Specifications

    U-Bolt with Plate Line Drawing

    A
    (size)
    THREAD B C D PIPE WLL
    (lb)
    WT
    (lb)
    1/4" 1/4"-20 0.75" 0.63" 1.25" 3/8" 435 0.07
    1/4" 1/4"-20 1.00" 1.00" 1.75" 1/2" 435 0.09
    1/4" 1/4"-20 1.13" 1.00" 2.00" 3/4" 435 0.10
    1/4" 1/4"-20 1.50" 1.38" 2.75" 1" 435 0.12
    1/4" 1/4"-20 1.75" 1.38" 3.00" 1-1/4" 435 0.13
    1/4" 1/4"-20 2.00" 1.38" 3.25" 1-1/2" 435 0.14
    5/16" 5/16"-18 1.00" 1.38" 2.19" 1/2" 610 0.14
    5/16" 5/16"-18 1.50" 1.00" 2.19" 1" 610 0.15
    5/16" 5/16"-18 1.75" 1.13" 2.69" 1-1/4" 610 0.18
    5/16" 5/16"-18 2.00" 1.00" 2.69" 1-1/2" 610 0.20
    5/16" 5/16"-18 2.50" 1.00" 3.19" 2" 610 0.22
    5/16" 5/16"-18 3.00" 1.00" 3.69" 2-1/2" 610 0.25
    3/8" 3/8"-16 1.00" 1.25" 2.25" 1/2" 1,090 0.20
    3/8" 3/8"-16 1.25" 1.25" 2.25" 3/4" 1,090 0.21
    3/8" 3/8"-16 1.50" 1.25" 2.50" 1" 1,090 0.23
    3/8" 3/8"-16 1.75" 1.25" 2.75" 1-1/4" 1,090 0.25
    3/8" 3/8"-16 2.00" 1.25" 2.63" 1-1/2" 1,090 0.26
    3/8" 3/8"-16 2.50" 1.25" 3.13" 2" 1,090 0.30
    3/8" 3/8"-16 3.00" 1.25" 3.63" 2-1/2" 1,090 0.33
    3/8" 3/8"-16 3.50" 1.25" 4.13" 3" 1,090 0.38
    1/2" 1/2"-13 3.00" 1.63" 4.50" 2-1/2" 2,020 0.70
    1/2" 1/2"-13 3.50" 1.50" 5.00" 3" 2,020 0.74
    1/2" 1/2"-13 4.00" 1.50" 5.50" 3-1/2" 2,020 0.82
    1/2" 1/2"-13 4.50" 1.50" 6.00" 4" 2,020 0.90
    1/2" 1/2"-13 5.63" 2.00" 7.25" 5" 2,020 1.06
    1/2" 1/2"-13 6.75" 2.00" 8.38" 6" 2,020 1.18
    1/2" 1/2"-13 8.75" 2.00" 10.38 8" 2,020 1.44

    If you don’t see what you’re looking for just call one of our team members at +91-22-6659 5285 Or Mail Us inquiry@raajsagarsteels.com. No inquiry is too large or too small, we specialize in locating hard to find items. If you do see what you are looking, we would love to assist you and give you a quote today!

    24 Hrs. Online Whatsapp Number   Contact Person: Mr. Milap Mehta - Cell: +91-9869 532 584

    Popular Searches


    Our Overseas Sales Distributors

    Mumbai
    Pune
    Aurangabad
    Delhi
    Raipur
    Selangor
    Adelaide
    Nottingham
    Malaysia
    Brisbane
    Exeter
    Birmingham
    Bristol
    Banbury
    Boksburg
    Bedfordshire
    Belfast
    Bedford
    Philippines
    Peterborough
    Portsmouth
    Perth
    Roodepoort
    Singapore
    Cheltenham
    Centurion
    Croydon
    Colchester
    Chesterfield
    Dublin
    Doncaster
    Derby
    Uk
    Pune
    Dorset
    Usa
    Abu Dhabi
    Edmonton
    Edinburgh
    East Rand
    Gauteng
    Ahmedabad
    Gujarat
    Gold Coast
    Glasgow
    Geebung
    Guildford
    Manchester
    Gloucester
    Germiston
    Hyderabad
    Huddersfield
    Hull
    Hampshire
    Hamilton
    Halifax
    Harlow
    India
    Jaipur
    Jharsuguda
    Johannesburg
    Johor
    Kuantan
    Kolkata
    Keighley
    Kent
    Penrith
    Qatar
    Luton
    Leeds
    Delhi
    Reading
    Kolkata
    Uae
    Chennai
    Wakefield
    Walsall
    Wolverhampton
    York
    Yatala
    Toronto
    Leicester
    Liverpool
    London
    Pretoria
    Pune
    Blackpool
    China
    Coventry
    Cape Town
    Cardiff
    Newcastle
    Norwich
    Preston
    Plymouth
    Nz, Canada
    Nagpur
    Vadodara
    Rotherham
    Redditch
    Randburg
    Ottawa
    Milton Keynes
    Melbourne
    Middlesbrough
    Mornington
    India
    North East
    Oldham
    Delhi
    Ahmedabad
    Kolhapur
    Telford
    Toowoomba
    Tamworth
    Northern Ireland
    Caboolture
    Lincoln
    Malaysia
    Makati

    Quick Enquiry